




| 射频参数 | 参数值 | 备注 |
| 工作频率(MHz) | 315/433.92 | E160-R3FS1(315MHz)/E160-R4FS1(443.92MHz) |
| 调制方式 | ASK/OOK | 振幅键控/开关键控 |
| 阻塞功率(dBm) | 10 | - |
| 最大发射功率(dBm) | - | 接收模块无此参数 |
| 接收灵敏度(dBm) | -109 | @315MHz/433.92MHz |
| 接收带宽(dBc) | ±200 | - |
| 传输速率(kbps) | 4 | 特指射频单元可支持速率,非模块实际传输速率 |
| 频偏(MHz) | ±0.05 | - |
| 天线阻抗(Ω) | 50 | - |
| 参考通信距离(m) | 240 | 与E160-TxFS1配合使用时,且晴朗空旷环境、天线增益1.5dBi、高度2m |
| 电气参数 | 最小值 | 典型值 | 最大值 | 备注 |
| 工作电压(V) | 2 | - | 5.5 | ≥5.0V 可保证工作在最佳性能 |
| 通信电平(V) | 2 | - | 5.5 | 以供电电压为准 |
| 发射电流(mA) | - | - | - | 接收模块无接收电流 |
| 接收电流(mA) | 7 | - | 9.5 | 在额定供电范围内时 |
| 休眠电流(μA) | - | - | - | 常接收状态,即等于接收电流 |
| 启动时间(ms) | - | 2 | - | 模块上电后,进入正常工作状态的时间 |
| ESD 防护(KV) | -4 | 4 | ESD HBM静电放电人体模型 | |
| 工作温度(℃) | -40 | - | 85 | 工业级设计 |
| 工作湿度(%rh) | 10 | - | 90 | - |
| 储存温度(℃) | -55 | - | 125 | - |
| 硬件参数 | 参数值 | 备 注 |
| 晶振频率(MHz) | 9.84374 | E160-R3FS1(315MHz) |
| 13.56 | E160-R4FS1(443.92MHz) | |
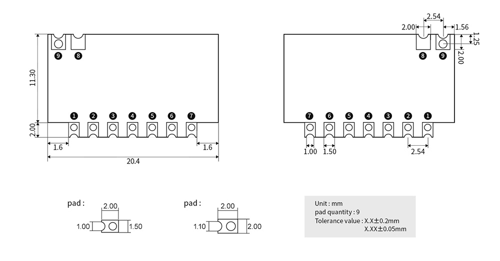
| 模块尺寸(mm) | 20.3*13.3*3.0 | 长*宽*高 |
| 天线形式 | 邮票孔 | - |
| 通信接口 | GPIO | 已供电电压为准 |
| 封装方式 | 贴片/邮票孔 | 引脚间距2.54mm,详细尺寸信息请见第三章 |
| 重量(g) | 3.65 | - |


| 引脚序号 | 引脚名称 | 引脚方向 | 引脚用途 |
| 1 | GND | - | 电源地 |
| 2 | VCC | 电源 | DC 2.0~5.5V |
| 3 | D0 | 输出 | 推挽输出,灌电流(低电平)35mA,拉电流(高电平)10mA;高电平有效,上电复位后为低电平 |
| 4 | D1 | 输出 | 推挽输出,灌电流(低电平)35mA,拉电流(高电平)10mA;高电平有效,上电复位后为低电平 |
| 5 | D2 | 输出 | 推挽输出,灌电流(低电平)35mA,拉电流(高电平)10mA;高电平有效,上电复位后为低电平 |
| 6 | D3 | 输出 | 推挽输出,灌电流(低电平)35mA,拉电流(高电平)10mA;高电平有效,上电复位后为低电平 |
| 7 | K/O | 输入/输出 | 输入时,低电平有效;输出时,驱动模块上的LED,高电平有效 |
| 8 | GND | - | 电源地 |
| 9 | ANT | - | 天线引脚(接收模块,仅接收,无发射) |
| 产品说明书 |
| 【用户手册】E160-RxFS1_UserManual_CN |
| 开发测试 |
| 【封装文件】E160-RxFS1 |
| 【天线放置】带PCB天线无线模组的放置方式 |
| 工具软件 |
| 【通信测试】串口调试助手_XCOM |
| 亿佰特简介 |
| 【企业简介】 |
| 在线购买 |
| 【亿佰特官方淘宝店】:https://item.taobao.com |
【京东商城】:https://i-item.jd.com |
| 【官方淘宝】:https://item.taobao.com |
| 【阿里巴巴】:https://detail.1688.com |
| 批量采购/定制产品 |
| 【销售专线】:4000-330-990 7x24小时销售服务热线 |
| 【联系邮箱】:support@cdebyte.com |
| 技术咨询 |
| 【在线提交】:https://www.ebyte.com/apple-technology.html |
| 【联系邮箱】:support@cdebyte.com |
| 产品 型号 | 收发方向 | 工作频率(Hz) | 发射功率(dBm) | 通信距离(m) | 封装形式 | 天线形式 | 产品尺寸(mm) | 功能特点 | 技术 手册 | 样品 购买 |
|---|---|---|---|---|---|---|---|---|---|---|
| E160-R4FS2 | 接收端 | 433.92M | - | 280 | 贴片/邮票孔 | 邮票孔 | 20.3*13.3*3.0 | 免开发、高性能、带4路输出学习型无线接收模块 | ||
| E160-R3FS2 | 接收端 | 315M | - | 280 | 贴片/邮票孔 | 邮票孔 | 20.3*13.3*3.0 | 免开发、高性能、带4路输出学习型无线接收模块 | ||
| E160-R4MD2 | 接收端 | 433.92M | - | 210 | 贴片 | 邮票孔 | 22.0*8.5*2.5 | 高速率、经典封装、小体积 | ||
| E160-R3MD2 | 接收端 | 315M | - | 210 | 贴片 | 邮票孔 | 22.0*8.5*2.5 | 高速率、经典封装、小体积 | ||
| E160-T4F12S2 | 发射端 | 433.92M | 12 | 210 | 贴片 | 邮票孔 | 20.3*13.3*3.0 | 免开发、高速率、最多可接入6个组合按键 | ||
| E160-T3F12S2 | 发射端 | 315M | 12 | 210 | 贴片 | 邮票孔 | 20.3*13.3*3.0 | 免开发、高速率、最多可接入6个组合按键 | ||
| E160-T4M20S1 | 发射端 | 433.92M | 20 | 300 | 贴片 | 邮票孔 | 12.0*10.0*2.0 | 大功率、高速率、小体积 | ||
| E160-T3M20S1 | 发射端 | 315M | 20 | 300 | 贴片 | 邮票孔 | 12.0*10.0*2.0 | 大功率、高速率、小体积 | ||
| E160-R3MS1 | 接收端 | 315M | - | 210 | 贴片 | 邮票孔 | 12.0*7.5*2.0 | 小体积、耐高温120℃ | ||
| E160-T3M12S1 | 发射端 | 315M | 12 | 210 | 贴片 | 邮票孔 | 12*7.5*2 | 小体积、耐高温120℃ | ||
| E160-R4FS1 | 接收端 | 433.92M | - | 240 | 贴片 | 邮票孔 | 20.3*13.3*3.0 | 免开发、带4路电平输出引脚(点动/翻转/互锁) | ||
| E160-T4FS1 | 发射端 | 433.92M | 12 | 240 | 贴片 | 邮票孔 | 20.3*13.3*3.0 | 免开发、带4路按键输入引脚 | ||
| E160-R4MS1 | 接收端 | 433.92M | - | 210 | 贴片 | 邮票孔 | 12.0*7.5*2.0 | 小体积、耐高温120℃ | ||
| E160-T4MS1 | 发射端 | 433.92M | 12 | 210 | 贴片 | 邮票孔 | 12.0*7.5*2.0 | 小体积、耐高温120℃ |