














| 产品型号 | 输入电压(VDC) | 输出 | 效率(%) Max | 产品尺寸(mm) | 安装方式 | ||
| 标称值(范围) | 功率(W) | 电压(VDC) | 电流(mA) | ||||
| BDM41-6W24P05E1 | 24( 9-36 ) | 6 | 5 | 1200 | 84.9 | 34.7*20.6*15.5 | 塑封/插件 |
| BDM41-6W24P12E1 | 24( 9-36 ) | 6 | 12 | 500 | 85.7 | 34.7*20.6*15.5 | 塑封/插件 |
| BDM41-6W24P24E1 | 24( 9-36 ) | 6 | 24 | 250 | 86.8 | 34.7*20.6*15.5 | 塑封/插件 |
| 项目 | 工作条件 | 最小 | 典型值 | 最大 | 单位 |
| 输出电压精度 | 0%~100% load | -- | ± 1.5 | ±3 | |
| 电压调节率 | 满载 | -- | ±0.3 | ±0.5 | % |
| 负载调节率 | 5%~100%负载(平衡负载) | -- | ± 1 | ±2 | |
| 纹波噪声 | 20MHz 带宽,100%负载 | 15 | -- | 75 | mVp-p |
| 温漂系数 | -- | ±0.05 | -- | %/℃ | |
| 过压保护 | BDMX1-XW24PXX1 | TVS;VBR=36.7-40.6VDC | |||
| 过流保护 | ≈120% | ||||
| 短路保护 | 可持续, 自恢复 | ||||
| 开关频率 | BDMX1-XW24PXX1 | 300 | -- | 360 | KHz |
| 环境温度 | 见产品降额设计 | -40 | 25 | 40 | ℃ |
| 储存温度 | -40 | 25 | 85 | ℃ | |
| 储存湿度 | -- | -- | 95 | %RH | |
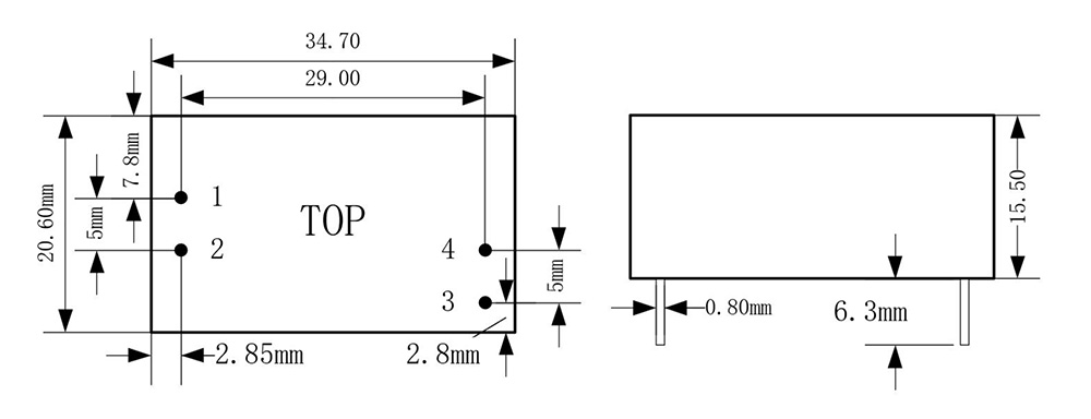
| 产品尺寸 | 32*14*13.6mm | mm | |||
| 产品重量 | 5g | g | |||
| 冷却方法 | 自然空冷 | ||||
| 输入过滤器类型 | BDMX1-XXW24PXXX1 | C | |||
| 推荐的外部输入保险丝 | BDMX1-XXW24PXXX1 | 50VDC,2A,慢断,必接 | |||

| 引脚名称 | 功能 | 方向 | 描述 |
| 1 | Vin+ | Input | 电源输入正(电源的最大输入量为 36VDC) |
| 2 | GND1 | Input | 输入电源负极 |
| 3 | GND2 | Output | 输出电源负极 |
| 4 | Vo+ | Output | 输出电源正极 |
注:GND1 与 GND2 不能连接在一起,否则失去隔离效果。
| 在线购买 |
| 【亿佰特官方淘宝店】:https://detail.taobao.com |
| 【京东商城】:http://item.jd.com |
| 【官方淘宝】:https://item.taobao.com |
| 【阿里巴巴】:https://detail.1688.com |
| 批量采购/定制产品 |
| 【销售专线】:4000-330-990 7x24小时销售服务热线 |
| 【联系邮箱】:support@cdebyte.com |
| 技术咨询 |
| 【在线提交】:https://www.ebyte.com/apple-technology.html |
| 【联系邮箱】:support@cdebyte.com |
| 产品 型号 | 输入电压(V) | 输出电压(V) | 输出电流(mA) | 输出功率(W) | 效率(%) | 产品尺寸(mm) | 封装方式 | 功能特点 | 技术 手册 | 样品 购买 |
|---|---|---|---|---|---|---|---|---|---|---|
| BDM41-6W24P24E1 | 9~36 | 24 | 250 | 6 | 86.8 | 34.7*20.6*15.5 | 塑封/插件 | 全国产DC-DC隔离电源模块 | ||
| BDM41-6W24P12E1 | 9~36 | 12 | 500 | 6 | 85.7 | 34.7*20.6*15.5 | 塑封/插件 | 全国产DC-DC隔离电源模块 | ||
| BDM41-6W24P05E1 | 9~36 | 5 | 1200 | 6 | 84.9 | 34.7*20.6*15.5 | 塑封/插件 | 全国产DC-DC隔离电源模块 | ||
| BDM21-15W24P24E1 | 18~36 | 24 | - | 15 | 88.6 | 34.7*20.6*15.5 | 塑封/插件 | 全国产DC-DC隔离电源模块 | ||
| BDM21-15W24P12E1 | 18~36 | 12 | - | 15 | 88.6 | 34.7*20.6*15.5 | 塑封/插件 | 全国产DC-DC隔离电源模块 | ||
| BDM21-15W24P05E1 | 18~36 | 5 | - | 15 | 88.6 | 34.7*20.6*15.5 | 塑封/插件 | 全国产DC-DC隔离电源模块 | ||
| BDM21-10W24P24E1 | 18~36 | 24 | 420 | 10 | 86.7 | 34.7*20.6*15.5 | 塑封/插件 | 全国产DC-DC隔离电源模块 | ||
| BDM21-10W24P12E1 | 18~36 | 12 | 840 | 10 | 85.6 | 34.7*20.6*15.5 | 塑封/插件 | 全国产DC-DC隔离电源模块 | ||
| BDM21-10W24P05E1 | 18~36 | 5 | 2000 | 10 | 85.6 | 34.7*20.6*15.5 | 塑封/插件 | 全国产DC-DC隔离电源模块 | ||
| DM41-20W2412B1 | 18~36 | 12 | 1666 | 20 | 80 | 50.8*25.4*10.16 | 塑封插件 | DC-DC隔离降压电源模块 | ||
| DM31-5W050H | 2.2~5 | 5 | 1000 | 5 | 92 | 23.5*17.5*8.5 | 塑封插件 | DC-DC升压电源模块 | ||
| DM21-7W050H | 7.5~28 | 5 | 1500 | 7 | 91 | 23.5*17.5*8.5 | 塑封插件 | DC-DC降压电源模块 |