

EWM103-W15SP(PCB天线接口)和EWM103-W15SX(IPEX天线接口)产品是EBYTE研发的一款低成本、高性价比的Wi-Fi+蓝牙双模WiFi模块,符合蓝牙5.1协议和IEEE 802.11b/g/n 标准协议规范。无线模块集成完整的Wi-Fi和蓝牙应用所需要的硬件和软件资源,支持AP、STA 2种Wi-Fi工作模式和低功耗蓝牙,非常适合智能家居、工业控制等低速率应用和数据采集应用。

该双模WiFi模块在功能上,无线模块还支持TCP、UDP、SSL、MQTT等多种网络通信协议,无线模块能够做到蓝牙配网和Web配网,解决用户多种使用场景不便等问题。

注意:
供电电源必须保证在2.8V~3.6V,为保证模块稳定工作,建议外部选择供电能力大于500mA的LDO供电。
本双模WiFi模块的功能繁多,在使用之前需要配置相关参数,然后才能正常的工作。
在以下的使用教程中,加*的是必须执行的操作,其他模式使用时请根据自己的需求设置。
教程主要演示该双模WiFi模块间的WiFi连接教程,链接步骤如下所示:
1)模块1使用AT+CWMODE=2 开启AP模式
2)模块1使用AT+CWSAP="fortest","123456789",5,3。初始化ap
3)模块2使用 AT+CWMODE=1 使能STA模式
4)等待模块1开启AP后,模块2使用AT+CWJAP=fortest,12345678去连接模块1
5)同时可以用电脑或者手机扫描到模块产生的AP并进行连接。

6)模块2返回OK表示已经开始去连接AP,但是此时并未连接成功,等待模块返回WIFI GOT IP则表示真正连接成功。如下图所示,左边为模块1,右边为模块2。

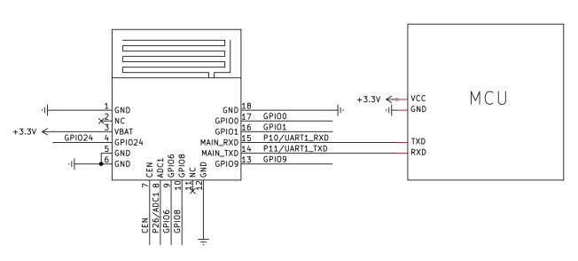
本模块可以通过指令工作在WiFi模式,以及ble模式下。从WiFi层的角色来看模块可以工作在AP,STA的模式下。从BLE层的角色来看,目前模块仅支持从机角色。从网络层来看模块支持TCP(server,client)、UDP、SSL、MQTT。
更多产品性能参数以及使用教程,可以查看官网产品页面相关资料或者咨询在线客服。
今天的分享就到这里啦,EBYTE每一天都致力于更好的助力物联化、智能化、自动化的发展,提升资源利用率,更多WiFi模块产品和WiFi技术资料,感兴趣的小伙伴可以登录我们的亿佰特官网和企业公众号(微信号:cdebyte)进行了解,也可以直接拨打400电话咨询技术专员!
相关阅读:
1、基于EWT103-W15开发板的温湿度监测系统应用方案详解
2、EWT103-W15SP双模WiFi模组开发板测试报告及使用指南
7 X 24 销售服务热线
4000-330-990深圳办事处柯经理:18218726658 无锡办事处刘经理:13558641933
成都总部销售经理:
秦 科(无线模块):18884314654 冯子恒(无线模块):18828049434
蔡友银(无线模块):13882211021 葛宇龙(通信设备):19138800613
胡兵(外贸销售经理):18584911141、 sales06@ebyte.com
业务邮箱:support@cdebyte.com 全国销售投诉电话:19934352316
地址:四川省成都市高新西区西区大道199号B5栋(前台座机:028-61543675)
©© 成都亿佰特电子科技有限公司【版权所有】 蜀ICP备13019384号


