

成都亿佰特电子科技有限公司全新推出的EWM151-2G4T10S(采用PCB板载天线)、EWM151-2G4T10SX(采用3代IPEX天线座子)系列开关量无线同步对传开关模组以及专用测试套件模组EWT151-2G4T10S。本文主要介绍EWM151系列开关量同步对传模组的产品介绍、功能特点、以及应用指南。
EWM151-2G4T10S和EWM151-2G4T10SX开关量无线对传模组是成都亿佰特全新推出的无线同步对传模块,可以在两个无线模块直接实现电平信号远程无线同步,支持采集信号输入(DI)传输并控制对侧进行相同信号输出(DO)。收发一体,模块工作在2.4G频段,具有超低延迟、使用便捷、体积小巧、应用灵活等特点。
无线同步对传模块采用标准邮票孔封装,具备UART通讯接口,支持AT指令。其核心功能在于实现远程同步控制,用户只需将两台设备进行配对,即可立即使用。使用时,可通过模块将一侧DI的状态同步反馈到另一侧的DO,反向控制相同,最多支持4路。
EWT151-2G4T10S是一款基于EWM151-2G4T10S模组的测试套件,可以大幅度的减少用户的开发周期。无线同步对传模块性能参数以及引脚描述,请下载相关产品手册查看详细参数。
l 可通过AT命令进行参数设置;
l 理想条件下,控制距离达300m(空旷环境测试);
l 同步时差在30ms以内;
l 支持 1.9~4.2V 供电,典型 3.3V 供电电压;
l EWM151-2G4T10S 采用 PCB 板载天线;
l EWM151-2G4T10SX 采用 3 代 IPEX 天线座子;
l 支持串口升级;
l 工业级标准设计,支持-40~+85℃下长时间使用;
l 双天线可选(IPEX/邮票孔),便于用户二次开发,利于集成。
无线同步对传模块支持自动配对和手动配对这两种配对方式,且必须配对后才能使用,仅支持点对点使用。
①自动配对操作方式:KEY引脚:低电平下拉保持2秒,进入配对模式<mode=2>;两侧需做相同操作;
②手动配对操作方式:在配置模式<mode=0>时,通过AT+PAIR指令写入配对目标模块地址,再切换为工作模式<mode=1>,两侧需做相同操作;
③配对指示方式:
Ø SAT引脚(指示灯引脚):
Ø 等待配对时,间隔1秒输出1次低电平;
Ø 当配对成功时,STA引脚输出5秒低电平然后恢复高电平;
Ø 若30秒内未完成配对,则自动恢复高电平。
注意:自动配对与手动配对不可混合使用;
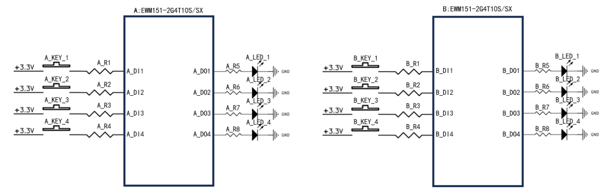
当A、B两个模块完成配对后,即可通过B模块DO接口来反馈A模块的DI接口状态,同时A模块DO接口也可反馈B模块的DI接口状态。

应用方式参考上图:
①当A_KEY_1高电平触发时,发射信号,B_D01同步接收高电平信号,B_LED_1亮起,松开熄灭;
②按B_KEY_1时,A_LED_1亮起,松开熄灭,双边可以同时操作;
③可同时操作两侧所有KEY按键,两侧所有指示灯也会同时亮起。
KEY引脚:低电平下拉保持超过10秒,完成清码。清码后需重新配对才能使用。
Ø 准备物品:两个EWT151-2G4T10S测试套件、两条Type-C数据线。
Ø 套件模块的供电:电池供电或Type-C供电;套件模块通电之后,电源指示灯PWR常亮。
Ø 通电后所有输出指示灯常亮,配对后可通过按键控制输出指示灯熄灭。
① 两个模块通电之后,分别长按KEY按键两秒进入配对状态,套件模块在配对状态下,STA状态灯进行1秒一次的闪烁,当配对成功时,STA状态灯常亮5秒然后熄灭,后续即可进行同步对传控制。
② 配对好的套件模块,可通过其中任意一侧套件输入接口来触发另外一个套件对应输出接口,支持同时对传控制。
① 两个模块通电之后,打开串口助手,选择并打开正确的COM口,波特率选择9600,勾选发送新行(AT指令需要加回车换行)。
② 串口助手分别对该套件模块发送“AT+MODE=2”使模块进入配对状态,套件模块在配对状态下,STA状态灯进行1秒一次的闪烁,当配对成功时,STA状态灯常量5秒然后熄灭。
③ 配对好的套件模块,可通过其中任意一侧套件输入接口来触发另外一个套件对应输出接口,支持同时对传控制。
① 两个模块通电之后,打开串口助手,选择并打开正确的COM口,波特率选择9600,勾选发送新行(AT指令需要加回车换行);
② 发送“AT+MODE=0”使模块进入配置模式;
③ 分别使用“AT+UID=?”查询模块本地地址,并做好记录;
④ 分别发送“AT+PAIR=<目标配对模块UID地址>”;
分别发送“AT+MODE=1”,模块等待配对完成进入工作模式,对侧模块需在30秒完成相同配置,否则将配对失败。
今天的分享就到这里啦,EBYTE每一天都致力于更好的助力物联化、智能化、自动化的发展,提升资源利用率,更多LoRa技术以及开关量远程同步对传开关产品资料,感兴趣的小伙伴可以登录我们的亿佰特官网进行了解,也可以直接拨打400电话咨询技术专员!
相关阅读:
2、E860-DTU系列4G无线对传开关:工业级远程IO设备方案
7 X 24 销售服务热线
4000-330-990©© 成都亿佰特电子科技有限公司【版权所有】 蜀ICP备13019384号


