

E104-BT52系列低功耗、低成本蓝牙模块是成都亿佰特电子科技有限公司基于dialog的DA14531芯片方案和DA14535芯片方案而研发,该系列蓝牙模块支持蓝牙主机、从机、主从一体和观察者模式,采用通用的AT指令进行设置参数,操作简单快捷。在功能上还支持低功耗广播、数据透传、空中配置等,其波特率最大支持460800bps的数据传输。可广泛应用于智能穿戴、家庭自动化、家庭安防、个人保健、智能家电、配饰与遥控器、汽车、照明、工业互联网、智能数据采集、智能控制等领域。

Ø 支持蓝牙BLE 5.0/BLE5.3协议;
Ø 支持蓝牙包长可调;
Ø 支持配置、透传两种工作模式;
Ø 支持开机自动广播,自动连接;
Ø 支持IBeacon和普通广播切换;
Ø 支持串口唤醒(仅E104-BT52、E104-BT52X、E104-BT52-V5.3、E104-BT52X-V5.3四款产品);
Ø 支持MAC绑定连接,最大绑定数为3个设备;
Ø 支持串口透明和格式传输;
Ø 支持多种串口模式、波特率;
Ø 支持自定义16位UUID和128位UUID;
Ø 支持PCB板载天线或IPEX-3天线方式;
Ø 支持蓝牙参数空中配置功能;
Ø 支持嗅探功能;
Ø 支持超低功耗睡眠,同步广播;
Ø 支持多主多从,最大连接数量为2个从机;
Ø 支持发射功率修改。

调试/测试推荐软件:
Ø PC端串口工具 - XCOM.exe;
Ø 手机端ble调试APP- nRF connect。
注:可在产品相关下载专栏下载蓝牙模块配置工具软件资料。
确认模块当前是否处于配置模式(如果未连接,模块可配置,如己连接,需串口发送“+++”
设置XCOM串相关配置(默认配置:115200,8,1,none,无流空),如图表 七1 XCOM参数配置图;

按照at指令表所示指令,配置蓝牙模块;
仅蓝牙模块为从机时可使用空中配置。
打开app “nRF connect”,开始扫描设备,找到“E104-BT52”连接模块;

打开uuid这fff0的服务,使能配置通道notiy;

发送认证指令(at+auth=123456),模块返回“0x2b4f4b0d0a”表示认证成功;

按照产品手册6.4指令表所示指令,配置模块;
数据传输相关说明参见产品手册5.3数据传输模式所述。
测试条件:
Ø 按照AT指令表配置模式快速使用指南中所述将一个模块配置为主机,一个模块配置为从机;
Ø 测试软件:XCOM。
Ø 其他参数为默认配置。
① 模块通电。主从机使能logmsg打印(at+logmsg=1);
② 设置主从机模块为透传模式(AT+TRANMD=1)。
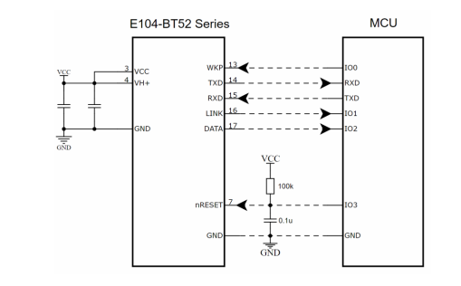
③ 主机连接成功后打印“sta: connecte 0 616263646564”;从机打印sta: connecte 0 616263646566”。LINK引脚为high。如图表 七5主机上电自动连接打印图,和图表 七6 从机上电自动连接打印图所示。主机打印信息中MAC地址之前的数值为主机中从机句柄,格式传输的第一字节来自于此。
④ 主机向从机发送数据“0123456789”,从机接到数据为“0123456789”(如图表 七7 主机数据透传图);

⑤ 从机向主机发送数据“abcdefghijk”,主机接到数据为“abcdefghijk” (如图表 七7 主机数据透传图);

① 同7.2.1数据透传 步骤1;
② 设置为格式传输(默认格式传输,设置指令“AT+TRANMD=0”)
③ 同7.2.1数据透传 步骤3;
④ 主机向从机发送有效数据为“0123456789”(ASCII)。格式传输数据打包“00 30 31 32 33 34 35 36 37 38 39”(HEX)。此时从机接收到数据为“0123456789”(“30 31 32 33 34 35 36 37 38 39”)。如

⑤ 从机向主机发送数据“11 22 33 44 55 66 77 88 99”(hex),主机接到到数据为“11 22 33 44 55 66 77 88 99”(HEX),只要开启了格式传输 则第一个字节为发送IDX,主机从机双方可使用不同传输模式,但是输入需要满足传输规则。
数据传输相关说明参见5.3数据传输模式所述。
测试条件:
Ø Ø按照AT指令表配置模式快速使用指南中所述将一个模块配置为主机,一个模块配置为从机;
Ø Ø测试软件:XCOM。
Ø Ø其他参数为默认配置。
以上内容适用于E104-BT52、E104-BT52X、E104-BT52PX、E104-BT52-V5.3、E104-BT52X-V5.3全系列高性能、低功耗蓝牙模块。
今天的分享就到这里啦,EBYTE每一天都致力于更好的助力物联化、智能化、自动化的发展,提升资源利用率,更多BLE蓝牙模块和蓝牙技术资料,感兴趣的小伙伴可以登录我们的亿佰特官网进行了解,也可以直接拨打400电话咨询技术专员!
相关阅读:
7 X 24 销售服务热线
4000-330-990深圳办事处柯经理:18218726658 无锡办事处刘经理:13558641933
成都总部销售经理:
秦 科(无线模块):18884314654 冯子恒(无线模块):18828049434
蔡友银(无线模块):13882211021 葛宇龙(通信设备):19138800613
胡兵(外贸销售经理):18584911141、 sales06@ebyte.com
业务邮箱:support@cdebyte.com 全国销售投诉电话:19934352316
地址:四川省成都市高新西区西区大道199号B5栋(前台座机:028-61543675)
©© 成都亿佰特电子科技有限公司【版权所有】 蜀ICP备13019384号
 
									
								 
									
								 
									
								 
									
								 
									
								
 
						 
						 
						
