

CC2541芯片是TI推出的一款专门适用于BLE蓝牙模块和专用的2.4GHz应用的SOC芯片解决方案。CC2541芯片集成了高性能的RF收发器和具有工业标准的8051 MCU,在系统编程的闪存和8K RAM,支持250kbps,500kbps,1Mbps和2Mbps数据速率,射频输出功率可至0dBm,极好的接收灵敏度(比如在1 Mbps下的灵敏度可达-94dBm )。CC2541芯片还有许多功能强大的支持特性和外设。
随着物联网应用技术的发展,智能BLE遥控器已成为生活和工业上必备的产品,不论是民用还是军用,都需要智能BLE来控制。针对CC2541芯片的特性,其非常适用于超低能耗的系统。比如,在专用的2.4GHz系统和2.4GHz蓝牙低功耗系统等BLE系统。
TI的CC2541芯片有2个不同的版本:具有128kB闪存的CC2541F128和256kB闪存的CC2541F256。

CC2541框图

CC2541典型应用电路图
不管是哪种版本,参考设计都是一样的。本设计方案主要以TI官方的BLE遥控器设计方案来说明。

CC2541 BLE遥控器套件
基于CC2541芯片的蓝牙模块智能遥控的配套套件提供了低功耗蓝牙远程控制应用开发的参考平台。它是基于TI业界领先的低功耗蓝牙装置和包含CC2541的评估,所需的硬件和工具的开发、测试、调试和远程控制的应用。该套件包括一个先进的可编程远程控制,6轴运动传感(3轴加速度计和三轴陀螺仪),USB加密狗和一个调试器。
先进的远程USB适配器来预编程的躲在各自的角色和关贸总协定简介HID报告服务,包括键盘、消费者的控制键和鼠标的报告。示例应用程序中包含的低功耗蓝牙协议栈。
先进的远程控制可以直接连接到一个蓝牙智能设备准备支持隐藏在关贸总协定,如Windows 8。USB加密狗可以作为一个桥梁,接口设备没有蓝牙智能准备支持,例如Windows 7。
CC2541芯片先进的远程控制的设计作为一个隐藏的外围设备(BLE的slave),根据放在藏在关贸总协定简介的规范操作。它是预装在塑料外壳与橡胶按钮,电池外壳和一个洞,以访问编程头。
CC2541芯片的USB加密狗可以用来模拟任何蓝牙低能量的行为,但通常是作为一个中心设备(BLE大师)和HID主机。本试剂盒它预装的固件中的核心作用,作为一个隐藏的服务客户对先进的远程控制和发送接收的输入数据仿真的人机接口设备(USB HID)在连接的Windows,Linux或OSX电脑。CCdebug调试器的Flash软件在USB加密狗以及先进的远程控制。它也可以被用于使用IAR EmbeddedWorkbench软件调试。该试剂盒的射频板和IC的FCC认证和测试,符合ETSI / R & TTE在温度从0到35℃。

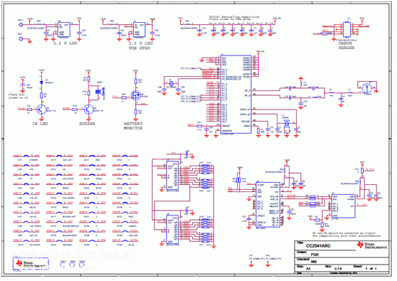
CC2541蓝牙智能遥控板电路图
先进的远程控制操作三节1.5V碱性电池AAA(LR03)供电。一个3.3V LDO(tps78330)低电压从4.5V到3.3V的转换电路。
参考CC2541芯片蓝牙模块典型应用电路图。
主板上可用的外围硬件包括蜂鸣器、陀螺仪、加速度计和用于键扫描的移位寄存器。CC2541作为SOC芯片解决方案,在进行原理图和PCB设计时可将所有GPIO引出,以便进行二次开发使用。例如,成都亿佰特研发生产基于CC2541芯片的E104-BT01系列蓝牙模块产品就能满足此种要求。
今天的分享就到这里啦,EBYTE每一天都致力于更好的助力物联化、智能化、自动化的发展,提升资源利用率,更多产品更多资料,感兴趣的小伙伴可以登录我们的亿佰特官网和企业公众号(微信号:cdebyte)进行了解,也可以直接拨打400电话咨询技术专员!
7 X 24 销售服务热线
4000-330-990深圳办事处柯经理:18218726658 无锡办事处刘经理:13558641933
成都总部销售经理:
秦 科(无线模块):18884314654 冯子恒(无线模块):18828049434
蔡友银(无线模块):13882211021 葛宇龙(通信设备):19138800613
胡兵(外贸销售经理):18011509149、 sales06@ebyte.com
业务邮箱:support@cdebyte.com 全国销售投诉电话:19934352316
投诉邮箱:cdebyte@ebyte.com
地址:四川省成都市高新西区西区大道199号B5栋(前台座机:028-61543675)
©© 成都亿佰特电子科技有限公司【版权所有】 蜀ICP备13019384号


