

在工业自动化控制、智能楼宇管理、农业环境监测等领域,稳定可靠的温湿度数据采集是保障系统运行的核心需求。成都亿佰特电子科技有限公司推出的RS485温湿度传感器设备,凭借其专业级传感器、标准化通信协议和工业级防护设计,为行业用户提供了一套高效可靠的监测方案。本文基于Modbus温湿度传感器:工业智能化的环境感知核心,深入解析高精度RS485温湿度传感器设备的技术特性与实操要点。
EID041-G01系列高精度温湿度传感器产品采用紧凑型结构设计,整体尺寸仅为82mm×45mm×28.5mm(长×宽×高),壳体采用阻燃ABS材料制作,支持DIN35标准导轨安装与定位孔固定双模式。内部搭载进口高精度数字传感器,其中EID041-G01S型号选用SHT30芯片,在-40℃至+125℃宽温范围内实现±0.2℃的温度测量精度,湿度检测范围覆盖0-100%RH,分辨率达到0.1%RH。电源接口采用5-36V宽压直流输入设计,内置反接保护电路,有效防止误操作导致的设备损坏。
注:图示为设备三维尺寸标注,实际安装时需预留至少125px散热空间
设备集成RS485工业总线接口,支持Modbus RTU通信协议,默认参数设置为9600bps波特率、无校验位、8数据位、1停止位。用户可通过保持寄存器修改设备地址(1-255)、波特率(4800-115200bps共8档)等参数,所有配置修改后需重启生效。独特的总线终端阻抗匹配设计,建议在RS485网络末端并联120Ω电阻以消除信号反射干扰。
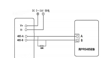
设备提供4芯可插拔端子,具体定义如下:
电源正极(红色端子):接入5-36V直流电源正极
电源负极(黑色端子):接入电源负极
· RS485-A(绿色端子):连接总线A线
· RS485-B(蓝色端子):连接总线B线
如上说明:典型多节点组网时,首末两端设备需并联120Ω终端电阻。
硬件连接:
· 使用AWG22及以上规格线材连接电源与RS485总线;
· 通过USB转RS485转换器接入上位机测试系统;
参数验证:
发送读取指令01 03 00 0A 00 01 CRC查询设备地址(默认01),返回数据格式为01 03 02 00 01 CRC,其中0001表示当前地址为1。
设备接线
电源及RS485接线,如下所示:

注:RS485 总线高频信号传输时,信号波长相对传输线较短,信号在传输线终端会形成反射波,干扰原信号,所以需要在传输线末端加终端电阻,使信号到达传输线末端后不反射。终端电阻应该与通讯电缆的阻抗相同,典型值为 120 欧姆.其作用是匹配总线阻抗,提高数据通信的抗干扰性及可靠行。
打开串口连接EID041-G01S 选择对应的波特率参数,选择 16 进制发送,取消自动换行,如图所示。

通过串口助手向EID041-G01S系列高精度温湿度传感器设备发送报文:
01 04 00 00 00 02 71 CB (同时采集第一通道温度和第一通道湿度)
指令解析:
· 01:设备地址
· 04:功能码(读输入寄存器)
· 00 00:起始地址0x0000
· 00 02:读取2个寄存器
· 71 CB:CRC校验码
EID041-G01S系列高精度温湿度传感器设备向串口助手回复报文:
典型返回数据:
01 04 04 00 F3 01 2A 8B F8
数据解析:
· 00 F3(温度):十六进制转十进制为243 → 24.3℃
· 01 2A(湿度):转十进制为298 → 29.8%RH
· 浮点数据可通过0x0002/0x0004寄存器读取,采用IEEE754大端格式
在化工厂房部署20个采集节点,通过Modbus TCP网关将RS485总线接入SCADA系统,实现以下功能:
· 实时显示各区域温湿度曲线;
· 超限报警(温度>50℃或湿度>80%时触发);
· 历史数据存储与报表生成;
集成LoRa无线传输模块,构建低功耗监测网络:
温湿度传感器→ RS485中继器 → LoRa网关 → 云平台
系统特点:
· 电池供电时续航>3年(5分钟采集间隔)
· 支持微信/短信报警推送
· 生成作物生长环境分析报告

如上图示:RS485温湿度传感器设备在不同工业场景中的实际应用方案。
本文完整呈现了RS485温湿度采集器的技术细节与应用方法,读者可根据具体需求选择适合的型号,并参照手册完成系统集成。
今天的分享就到这里啦,EBYTE每一天都致力于更好的助力物联化、智能化、自动化的发展,提升资源利用率,更多RS485温湿度变送器产品和传感探测技术资料,感兴趣的小伙伴可以登录我们的亿佰特官网和企业公众号(微信号:cdebyte)进行了解,也可以直接拨打400电话咨询技术专员!
相关阅读:
7 X 24 销售服务热线
4000-330-990深圳办事处柯经理:18218726658 无锡办事处刘经理:13558641933
成都总部销售经理:
秦 科(无线模块):18884314654 冯子恒(无线模块):18828049434
蔡友银(无线模块):13882211021 葛宇龙(通信设备):19138800613
胡兵(外贸销售经理):18584911141、 sales06@ebyte.com
业务邮箱:support@cdebyte.com 全国销售投诉电话:19934352316
地址:四川省成都市高新西区西区大道199号B5栋(前台座机:028-61543675)
©© 成都亿佰特电子科技有限公司【版权所有】 蜀ICP备13019384号


